English
Español
Português
русский
Français
日本語
Deutsch
tiếng Việt
Italiano
Nederlands
ภาษาไทย
Polski
한국어
Svenska
magyar
Malay
বাংলা ভাষার
Dansk
Suomi
हिन्दी
Pilipino
Türkçe
Gaeilge
العربية
Indonesia
Norsk
تمل
český
ελληνικά
український
Javanese
فارسی
தமிழ்
తెలుగు
नेपाली
Burmese
български
ລາວ
Latine
Қазақша
Euskal
Azərbaycan
Slovenský jazyk
Македонски
Lietuvos
Eesti Keel
Română
Slovenski
मराठी
Srpski језик
Recursos do produto
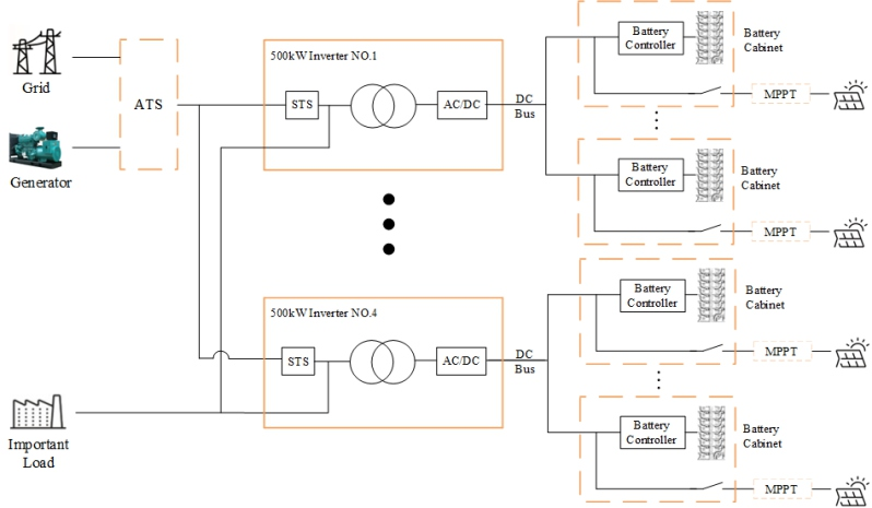
1. Cargas superiores a 500 kW, recomenda-se o uso de um inversor de armazenamento de energia de unidade única de 500 kW de grande capacidade, que é capaz de suportar até quatro conjuntos de conexões paralelas, alcançando uma potência total de 2 MW;
2. Ao operar vários sistemas de 500 kW em paralelo e distribuir STSa entre diferentes inversores de 500 kW, é crucial garantir que o comprimento do cabo do ponto de ligação da rede ao ponto de ligação da carga seja consistente;
3. O ESS híbrido emprega integração fotovoltaica acoplada a CC, alcançando alta eficiência de conversão de energia e otimizado para cenários fora da rede com capacidade de geração fotovoltaica excedendo a demanda de carga; MPPT com classificação externa
Os controladores integram funcionalidades de combinador e MPPT em um único gabinete reforçado. O sistema completo inclui uma opção ATS de gerador a diesel, um inversor híbrido de 300kW, controlador PV MPPT e uma bateria
sistema de armazenamento de energia.


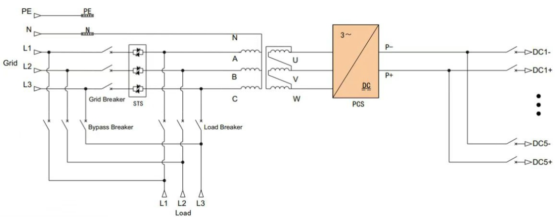
Especificação
| Modelos | P500TS-400-A | |
|
Parâmetros do lado DC |
Faixa de tensão | 500-950V |
| Corrente máxima | 1128A | |
| Potência de saída nominal | 500kW | |
|
Parâmetros do lado AC (conectado à rede) |
Potência máxima de saída | 550kW |
| Corrente de saída nominal | 722A | |
| THDi | <3% | |
| Tipo de grade | 3W+N+PE | |
| Faixa de tensão | 360 VCA ~ 440 VCA | |
| Faixa de frequência | 45~55Hz/55~65Hz | |
| Fator de potência | -1~1 | |
| Potência de saída nominal | 500kW | |
|
Parâmetros do lado AC (Fora da rede) |
Tensão nominal de saída | 400 V |
| Frequência de saída nominal | 50/60Hz | |
| THDu | <1% Carga Linear, <5% Carga Não Linear | |
| Capacidade de sobrecarga | 110%10 minutos | |
| Interruptor de bypass de manutenção | 1250A | |
|
Interruptor fora da rede e configuração do switch |
Interruptor CC | 1250A |
| Interruptor de carga | 1250A | |
| Troca de grade | 1250A | |
| Unidade STS | 1155A/800kW | |
| Tempo de troca | <20ms | |
|
Parâmetros de sistemas |
Eficiência máxima | 97,5% |
| Temperatura operacional | -30~55℃(Redução acima de 40℃) | |
| Umidade relativa | 0 a 95% UR, sem condensação | |
| Dimensões (L*D*H) | 1600×1050×2050mm | |
| Peso | 2700kg | |
| Grau de IP | IP21 IP21 (máquina completa) | |
| Barulho | <70dB | |
| Tela de exibição | LCD | |
| Comunicação BMS | PODE | |
| Comunicação EMS | TCP/IP | |
Armário de armazenamento de energia
Bateria de lítio de armazenamento vertical de energia
Bateria de lítio de armazenamento de energia de gabinete de rack
Bateria de lítio de armazenamento de energia montada na parede
Bateria de lítio de armazenamento de energia empilhada
Bateria de lítio de armazenamento de energia de alta tensão