English
Español
Português
русский
Français
日本語
Deutsch
tiếng Việt
Italiano
Nederlands
ภาษาไทย
Polski
한국어
Svenska
magyar
Malay
বাংলা ভাষার
Dansk
Suomi
हिन्दी
Pilipino
Türkçe
Gaeilge
العربية
Indonesia
Norsk
تمل
český
ελληνικά
український
Javanese
فارسی
தமிழ்
తెలుగు
नेपाली
Burmese
български
ລາວ
Latine
Қазақша
Euskal
Azərbaycan
Slovenský jazyk
Македонски
Lietuvos
Eesti Keel
Română
Slovenski
मराठी
Srpski језик |
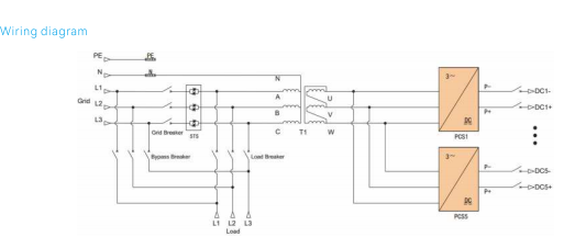
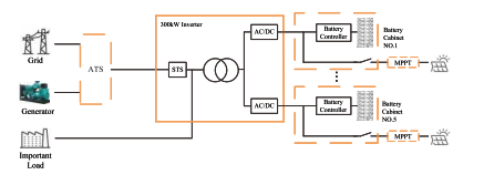
Recurso O sistema utiliza unidades inversoras modulares em configuração paralela, onde a entrada DC de cada módulo inversor corresponde a um gabinete de bateria dedicado, permitindo o gerenciamento por cluster para eliminar correntes circulantes entre cordas de bateria. Os módulos de energia CA/CC suportam implantação flexível em quantidade e classificação de potência, com capacidade máxima de módulos de 60kW em um paralelo de 5 unidades configuração. A saída CA dos módulos de potência é fornecida através de um transformador estágio de saída isolado, fornecendo energia para a carga com forte resistência a choque atual. O ESS híbrido emprega integração fotovoltaica acoplada em CC, alcançando alta eficiência de conversão de energia e otimizado para cenários fora da rede com energia fotovoltaica capacidade de geração superior à demanda de carga; Controladores MPPT para uso externo integre funcionalidades de combinador e MPPT em um único gabinete reforçado. O sistema completo inclui uma opção de gerador a diesel ATS, um híbrido de 300kW inversor, controlador fotovoltaico MPPT e um sistema de armazenamento de energia da bateria.
Recurso O sistema utiliza unidades inversoras modulares em configuração paralela, onde a entrada DC de cada módulo inversor corresponde a um gabinete de bateria dedicado, permitindo o gerenciamento por cluster para eliminar correntes circulantes entre cordas de bateria. Os módulos de energia CA/CC suportam implantação flexível em quantidade e classificação de potência, com capacidade máxima de módulos de 60kW em um paralelo de 5 unidades configuração. A saída CA dos módulos de potência é fornecida através de um transformador estágio de saída isolado, fornecendo energia para a carga com forte resistência a choque atual. O ESS híbrido emprega integração fotovoltaica acoplada em CC, alcançando alta eficiência de conversão de energia e otimizado para cenários fora da rede com energia fotovoltaica capacidade de geração superior à demanda de carga; Controladores MPPT para uso externo integre funcionalidades de combinador e MPPT em um único gabinete reforçado. O sistema completo inclui uma opção de gerador a diesel ATS, um híbrido de 300kW inversor, controlador fotovoltaico MPPT e um sistema de armazenamento de energia da bateria.
Especificações |
|||||
| Modelos | P200TS-400-A | P250TS-400-A | P300TS-400-A | ||
|
Parâmetros do lado DC |
Faixa de tensão | 650-950Vcc | |||
| Chave de entrada por módulo | 250A | ||||
| Número de canais DC | 3 vias | 4 vias | 5 vias | ||
|
Parâmetros do lado AC (conectado à rede) |
Potência de saída nominal | 200kW | 250kW | 300kW | |
| Potência máxima de saída | 220kW | 275kW | 330kW | ||
| Corrente de saída nominal | 289A | 361A | 433A | ||
| THDi | <3% | ||||
| Tipo de grade | 3W+N+PE | ||||
| Faixa de tensão | 360Vca~440Vca | ||||
| Faixa de frequência | 45~55Hz/55~65Hz | ||||
| Fator de potência | -1~1 | ||||
|
Ilhado Parâmetros do lado AC |
Potência de saída nominal | 200kW | 250 kW 300 kW | ||
| Tensão nominal de saída | 400Vca | ||||
| Frequência de saída nominal | 50/60Hz | ||||
| THDu | <1% linear, <5% não linear<1% linear, <5% não linear | ||||
| Capacidade de sobrecarga | Sobrecarga de 110% por 10 minutos110% por 10 minutos | ||||
|
Ilha de grade Transferência e comutadores |
Interruptor de bypass de manutenção | 400A | 630A | ||
| Interruptores de grade | 630A | 800A | |||
| Chaves de carga | 400A | 630A | |||
| Unidade STS | 577A/400kW | 722A/500kW | |||
| Tempo de troca | <20ms | ||||
|
Parâmetros de sistemas |
Eficiência máxima | 97,5% | |||
| Temperatura operacional | -30~55℃-30~55℃(Redução acima de 40℃) | ||||
| Umidade relativa | 0 ~ 95% UR, 0 ~ 95% UR, sem condensação | ||||
| Dimensões (L*D*H) | 1300×1050×2050mm | ||||
| Peso | 1400kg | 1.700 kg 1.800 kg | |||
| Grau de IP | IP21 IP21 (conjunto completo) | ||||
| Barulho | <70dB | ||||
| Tela de exibição | Tela LCD sensível ao toque | ||||
| Comunicação BMS | PODE | ||||
| Comunicação EMS | TCP/IP | ||||
Armário de armazenamento de energia
Bateria de lítio de armazenamento vertical de energia
Bateria de lítio de armazenamento de energia de gabinete de rack
Bateria de lítio de armazenamento de energia montada na parede
Bateria de lítio de armazenamento de energia empilhada
Bateria de lítio de armazenamento de energia de alta tensão