English
Español
Português
русский
Français
日本語
Deutsch
tiếng Việt
Italiano
Nederlands
ภาษาไทย
Polski
한국어
Svenska
magyar
Malay
বাংলা ভাষার
Dansk
Suomi
हिन्दी
Pilipino
Türkçe
Gaeilge
العربية
Indonesia
Norsk
تمل
český
ελληνικά
український
Javanese
فارسی
தமிழ்
తెలుగు
नेपाली
Burmese
български
ລາວ
Latine
Қазақша
Euskal
Azərbaycan
Slovenský jazyk
Македонски
Lietuvos
Eesti Keel
Română
Slovenski
मराठी
Srpski језик
Característica do produtoé
1, geração DC e armazenamento DC, mais eficiência e menor perda, o que é adequado para energia fotovoltaica e de armazenamento é maior
do que os cenários de energia de carga fora da rede;
2, proteção IP65, atendendo ao uso externo. MPPT próximo aumenta a saída de convergência, o que ajuda a evitar fiação
confusão causada por múltiplos cabos fotovoltaicos (PV) sendo transmitidos por longas distâncias para o sistema multifuncional.
3, ampla faixa de tensão de 200-900V de entrada fotovoltaica, apoiando o acesso ao módulo fotovoltaico de alta corrente da indústria.
4、MPPT multicanal, atendendo ao painel fotovoltaico multiângulo
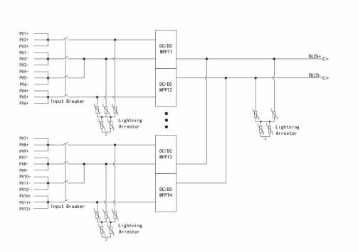
Diagrama de fiação

Especificação
| Modelos | MPPT-8 | MPPT-6 | MPPT-12 | |
| Interface do lado fotovoltaico Parâmetros |
Tensão máxima do painel fotovoltaico | 900V | ||
| Faixa de tensão MPPT | 200V-900V | |||
| Faixa de tensão nominal MPPT | 560V-900V | |||
| Corrente máxima do ramal | 24A | 20A | ||
| Número de strings de entrada fotovoltaica | 8 | 6 | 12 | |
| Número de MPPT | 8 | 2 | 4 | |
| Corrente por MPPT | 20A | 55A | ||
| Parâmetros de saída | Faixa de tensão | 600-950 V | ||
| Tensão nominal | Padrão 716,8 V, ajustável | |||
| Corrente de saída nominal | 118A | 84A | 168A | |
| Potência de saída nominal | 84kW | 60kW | 120kW | |
| Corrente máxima de saída | 192A | 120A | 240A | |
| Parâmetros do sistema | UEe ciência | 99,4% | ||
| Grau IP | IP65 | |||
| Conceito de resfriamento | Convecção natural | Resfriamento por ar forçado | ||
| Dimensões (L*P*A) | 550x530x280mm | 630×460×260mm | 630×460×260mm | |
| Peso | 42kg | 25kg | 30kg | |
| Temperatura operacional | -30~55℃ | |||
| Modos de fonte de alimentação | Autoalimentado (sem consumo de energia à noite) | |||
| Interface de comunicação | RS485 | |||

Armário de armazenamento de energia
Bateria de lítio de armazenamento vertical de energia
Bateria de lítio de armazenamento de energia de gabinete de rack
Bateria de lítio de armazenamento de energia montada na parede
Bateria de lítio de armazenamento de energia empilhada
Bateria de lítio de armazenamento de energia de alta tensão